
Linnan Torni Riippukeinulla
15.3.2021
Linnan Torni Kiipeilyverkolla
15.3.2021Vartiotorni Liu’ulla
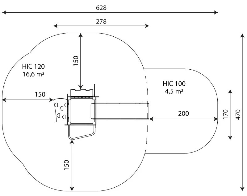
| Mitat | 2.78 × 1.70 × 3.76 m (metri) |
|---|---|
| Turva-alue | |
| Putoamiskorkeus | |
| Ikäryhmä | |
| Materiaali |
| Pituus: | 2.78 m |
|---|---|
| Leveys: | 1.70 m |
| Korkeus: | 3.76 m |
5,414.00€ Alv. 0% ( 6,794.57€ alv. 25,5%)
Ladattavat tiedostot
Tuotetunnus (SKU): V 3002-1
Osastot: Inklusiiviset leikkivälineet, Keskiaikateema, Leikkivälineet, Linnat, Liukumäet
Kirjoita ensimmäinen arvio tuotteelle “Vartiotorni Liu’ulla” Peruuta vastaus
Tutustu myös
-
PIKATOIMITUS
-
PIKATOIMITUS









Arviot
Tuotearvioita ei vielä ole.